Current Electricity

Electric Current:
  • Average current: $I_{av} = \frac{\Delta q}{\Delta t}$

  • Instantaneous current: $i = \lim_{\Delta t \to 0} \frac{\Delta q}{\Delta t} = \frac{dq}{dt}$

Electric Current in a Conductor:

$I = nAeV$ $v_d = \frac{\lambda}{\tau}$ $v_d = \frac{\frac{1}{2}\left(\frac{eE}{m}\right)\tau^2}{\tau} = \frac{1}{2} \frac{eE}{m} \tau$ $I = neAV_d$

Current Density:

$\vec{J} = \frac{dI}{dS} \vec{n}$

Electrical Resistance:

$I = neAV_d = neA\left(\frac{eE}{2m}\right)\tau = \left(\frac{ne^2 \tau}{2m}\right)AE$

$E = \frac{V}{\ell}$

so $I = \left(\frac{ne^2 \tau}{2m}\right)\left(\frac{A}{\ell}\right)V = \left(\frac{A}{\rho \ell}\right)V = \frac{V}{R} \Rightarrow V = IR$

Resistivity: $\rho = \frac{2m}{ne^2 \tau} = \frac{1}{\sigma},$

where $\sigma$ is conductivity.

Dependence of Resistance on Temperature: $R = R_0(1 + \alpha \theta).$

Electrical Power:

$P = VI$ $\text{Energy}= \int P dt$ $P = I^2R = VI = \frac{V^2}{R}$ $H = VIt = I^2Rt = \frac{V^2}{R}t$

Kirchhoff’s Laws:

Kirchhoff’s Current Law (Junction law): $\Sigma I_{in} = \Sigma I_{out}$

Kirchhoff’s Voltage Law (Loop law): $\Sigma IR + \Sigma \text{EMF} = 0.$

Combination of Resistances:

Resistances in Series: $R = R_1 + R_2 + R_3 + \ldots + R_n$

Resistances in Parallel: $\frac{1}{R_{eq}} = \frac{1}{R_1} + \frac{1}{R_2} + \frac{1}{R_3}$

Resistance of a Conductor:

The resistance $R$ of a conductor can be calculated using the formula: $R = \rho \frac{L}{A}$

Wheatstone Network:

When current through the galvanometer is zero (null point or balance point), $\frac{P}{Q} = \frac{R}{S}$

Grouping of Cells:
  • Cells in Series: Equivalent EMF $E_{eq} = E_1 + E_2 + \ldots + E_n$
  • Cells in Parallel: $E_{eq} = \frac{\varepsilon_1 / r_1 + \varepsilon_2 / r_2 + \ldots + \varepsilon_n / r_n}{1 / r_1 + 1 / r_2 + \ldots + 1 / r_n}$
Ammeter:
  • A shunt (small resistance) is connected in parallel with a galvanometer to convert it into an ammeter.

  • An ideal ammeter has zero resistance.

Ammeter is represented as follows -

If maximum value of current to be measured by ammeter is I then $I_{G} \cdot R_{G}=\left(I-I_{G}\right) S$

$S=\frac{I_{G} \cdot R_{G}}{I-I_{G}} \quad S=\frac{I_{G} \times R_{G}}{I} \quad when \quad I \gg I_{G.}$

where; $I=$ Maximum current that can be measured using the given ammeter.

Voltmeter:
  • A high resistance is put in series with a galvanometer.

  • It is used to measure the potential difference across a resistor in a circuit.

For maximum potential difference

$V = I_{G}.R_{S}+ I_{G}R_{G}$

$R_{S}=\frac{V}{I_{G}}-R_{G}$

$\text { if } \quad R_{G}«R_{S} \Rightarrow R_{S} \approx \frac{V}{I_{G}}$

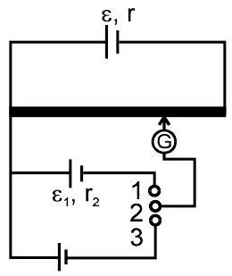
Potentiometer:

Used for comparing EMFs, measuring internal resistance of cells, and calibrating ammeters and voltmeters.

$V_{A}-V_{B}=\frac{\varepsilon}{R+r} \cdot R$

Potential gradient (x): Potential difference per unit length of wire

$x=\frac{V_{A}-V_{B}}{L}=\frac{\varepsilon}{R+r} \cdot \frac{R}{L}$

Application of potentiometer

(a)To find emf of unknown cell and compare emf of two cells.

In case I,

In figure (1) is joint to (2) then balance length $=\ell_{1} $

In case II,

$\varepsilon_{1}=x \ell_{1} \hspace{10mm}…(i)$

In figure (3) is joint to (2) then balance length $=\ell_{2}$

$\varepsilon_{2}=\mathrm{x} \ell_{2} \hspace{10mm}…(ii)$

$\frac{\varepsilon_{1}}{\varepsilon_{2}}=\frac{\ell_{1}}{\ell_{2}}$

If any one of $\varepsilon_{1}$ or $\varepsilon_{2}$ is known the other can be found. If $\mathrm{x}$ is known then both $\varepsilon_{1}$ and $\varepsilon_{2}$ can be found

(b) To find current if resistance is known

$V_{A}-V_{C}=x \ell_{1}$

$R_{1}=x\ell_{1}$

$I=\frac{x \ell_{1}}{R_{1}}$

Similarly, we can find the value of $R_{2}$ also.

Potentiometer is ideal voltmeter because it does not draw any current from circuit, at the balance point.

(c) To find the internal resistance of cell.

Ist arrangement $\hspace{60mm}$ 2nd arrangement

by first arrangement: $\varepsilon^{\prime}=\mathrm{x} \ell_{1} \hspace{10mm}…(i)$

by second arrangement: $\mathrm{IR}=\mathrm{x} \ell_{2}$

$I=\frac{\mathrm{x} \ell_{2}}{R}, \quad \text { also } I=\frac{\varepsilon^{\prime}}{r^{\prime}+R}$

$\therefore \quad \frac{\varepsilon^{\prime}}{r^{\prime}+R} = \frac{xl_{2}}{R} \quad \Rightarrow \frac{xl_{1}}{r^{\prime}+R} = \frac{xl_{2}}{R}$

$=\left[\frac{\ell_{1}-\ell_{2}}{\ell_{2}}\right] R$

(d) Ammeter and voltmeter can be graduated by potentiometer.

(e) Ammeter and voltmeter can be calibrated by potentiometer.

Metre Bridge:

Used to measure unknown resistance using the principle of a balanced Wheatstone bridge.

If $A B=\ell \mathrm{cm}$, then $B C=(100-\ell) \mathrm{cm}$.

Resistance of the wire between $A$ and $B, R \propto \ell$

[ $\because$ Specific resistance $\rho$ and cross-sectional area A are same for whole of the wire ]

$ \text { or } \quad R=\sigma \ell \hspace{10mm}…(i) $

where $\sigma$ is resistance per $\mathrm{cm}$ of wire.

(a)

(b)

If $P$ is the resistance of wire between $A$ and $B$ then

$ P \propto \ell \Rightarrow \quad P=\sigma(\ell) $

Similarly, if $Q$ is resistance of the wire between $B$ and $C$, then

$ \begin{array}{ll} & Q \propto 100-\ell \ \therefore & Q=\sigma(100-\ell)\hspace{10mm}….(2) \end{array} $

Dividing (1) by (2), $ \frac{P}{Q}=\frac{\ell}{100-\ell}$

Applying the condition for balanced Wheatstone bridge, we get $R Q=P X$

$ \therefore \quad x=R \frac{Q}{P} \quad \text { or } \quad x=\frac{100-\ell}{\ell} R $

Since $\mathrm{R}$ and $\ell$ are known, therefore, the value of $\mathrm{X}$ can be calculated.

Ohm’s law:

$ V = I R $



sathee Ask SATHEE

Welcome to SATHEE !
Select from 'Menu' to explore our services, or ask SATHEE to get started. Let's embark on this journey of growth together! 🌐📚🚀🎓

I'm relatively new and can sometimes make mistakes.
If you notice any error, such as an incorrect solution, please use the thumbs down icon to aid my learning.
To begin your journey now, click on

Please select your preferred language